2012年岩土工程师考试基础知识模拟试题:电工与电子技术(单项选择题2)

发布时间:2012-07-25 共1页

电工与电子技术(单项选择题2)
一、单项题的备选项中只有一个最符合题意,错选、多选均不得分。
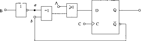
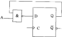
1.逻辑电路如图所示,当A="0",B="1"时,C脉冲来到后,D触发器应:



 
正确答案:A 解题思路:逻辑电路如图所示,当A="0",B="1"时,C脉冲来到后,D触发器应:

A.具有计数功能
B.保持原状态
C.置"0"
D.置"1"
答案:A
 
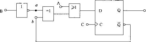
2.逻辑电路如图所示,A="1"时,C脉冲来到后,D触发器应:



 
正确答案:A 解题思路:逻辑电路如图所示,A="1"时,C脉冲来到后,D触发器应:

A.具有计数器功能
B.置"0"
C.置"1"
D.无法确定
答案:A
 
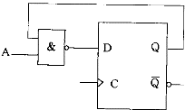
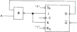
3.逻辑电路如图所示,A="0"时,C脉冲来到后,JK触发器应:



 
正确答案:A 解题思路:逻辑电路如图所示,A="0"时,C脉冲来到后,JK触发器应:

A.具有计数功能
B.置"0"
C.置"1"
D.保持不变
答案:A
 
4.连续时间信号与通常所说的模拟信号的关系:



 
正确答案:C 解题思路:连续时间信号与通常所说的模拟信号的关系:
A.完全不同
B.是同一个概念
C.不完全相同
D.无法回答
答案:C
 
5.运算放大器组成的电压表电路如图所示,已知输出端所接电压表满量程为5V,且R=1MΩ。若要得到0.5V、5V、50V三种量程,R、R、R的阻值应分别为:



 
正确答案:A 解题思路:运算放大器组成的电压表电路如图所示,已知输出端所接电压表满量程为5V,且R=1MΩ。若要得到0.5V、5V、50V三种量程,R、R、R的阻值应分别为:

A.0.1MΩ,1MΩ,10MΩ
B.0.5MΩ,5MΩ,50MΩ
C.10MΩ,1MΩ,0.1MΩ
D.50MΩ,5MΩ,0.5MΩ
答案:A

百分百考试网 考试宝典

立即免费试用