2012年岩土工程师考试专业知识考前冲刺(十一)上午卷

发布时间:2014-02-25 共1页

考前冲刺(十一)上午卷
一、单项题的备选项中只有一个最符合题意,错选、多选均不得分。
1.在光滑的水平面上,放置一静止的均质直杆AB。当AB上受一力偶优作用时,AB将绕哪一点转动?



 
正确答案:C
 
2.已知F、F、F、F为作用于刚体上的平面共点力系,其力矢关系如图所示为一平行四边形,由此可知:



 
正确答案:D
 
3.如图所示,突然放大有压管流,放大前细管直径d=100mm,放大后粗管直径d=200mm。若放大后断面的平均流速v=1m/s,则局部水头损失h为:



 
正确答案:C
 
4.一机构由杆件OA、OB和三角形板ABC组成。已知OA杆转动的角速度为ω(逆时针向),OA=OB=r,AB=L,AC=h。则在图示位置时,C点的速度为:



 
正确答案:A
 
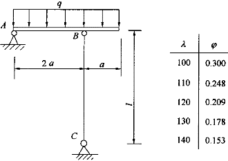
5.已知压杆BC的直径d=10cm,l=3m,材料为木材,[σ]=10MPa,折减系数φ的值如图表所示,a=1m,则均布荷载q的允许值最大为:



 
正确答案:A

百分百考试网 考试宝典

立即免费试用