发布时间:2012-07-25 共1页
| 一、单项选择题: |
| 1.规划期内拟建设的城市用地都应编制控制性详细规划,其主要内容不包括( )。 |
| 正确答案:A |
|
|
2.已知某投资项目的净现金流量如下表所示,若投资者目标收益率为10%,则该投资项目的财务净现值为( )万元。[已知(P/A,10%,5)=3.791,(A/P,10%,5)=0.264,(F/A,10%,5)=6.105](单位:万元)![]() |
| 正确答案:A |
|
|
| 3.张某有两套住房,他将其中一套以180元出售给李某,又将另一套与王某的住房进行了房屋互换,并由张某支付给王某换房差价40万元。假设契税税率为3%,张某应缴纳的契税为( )万元。 |
| 正确答案:D |
|
|
| 4.在下列选项中,( )行为产生正外部性。 |
| 正确答案:B |
|
|
| 5.在统计分析中,相关系数r的取值范围为( )。 |
| 正确答案:D |
|
|
| 二、多项选择题: |
| 6.复原重置成本与更新重置成本相比较,( )是两者的主要差异。 |
| 正确答案:ACD |
|
|
| 7.在统计中,众数是( )。 |
| 正确答案:ACD |
|
|
| 8.设计统计指标时,应力求满足( )的要求。 |
| 正确答案:ACD |
|
|
| 9.根据需要,工程结算一般有( )等几种形式。 |
| 正确答案:ABC |
|
|
| 10.房地产投资的风险与收益率的关系是( )。 |
| 正确答案:AB |
|
|
| 三、情景分析题: |
| (11-14题共用题干) |
| 某市有一宗规划为住宅及其配套的用地,原为JP汽车有限公司工业用地,作为CBD区域内面积最大的一块用地,被各地产商所看好。根据政府有关规定,该地块拟通过土地收购储备的形式,以净地方式出让。请就上述内容,回答104~107题的问题。 |
| 11.该项目土地开发的实施方式可以采用( )。 |
| 12.该项目的开发成本包括征地、拆迁补偿费,以及有关税费、市政基础设施建设有关费用和( )。 |
| 13.该项目开发完成后,以下说法正确的是( )。 |
| 14.对于纳入土地收购储备的项目,其土地开发完成后,以下说法正确的是( )。 |
| 正确答案:11.AC;12.ACD;13.C;14.CD |
|
|
| (15-17题共用题干) |
| 某房地产开发企业,具有二级开发资质,准备在A城市的城乡结合部开发建设一个住宅小区,共有五幢楼房。该公司已拿到开发项目的“建设项目选址意见书”。设想1号、2号、3号、4号、5号楼全部为3层建筑。请就上述内容,回答101~103题的问题。 |
| 15.根据相关规定,在项目开工建设前还应( )等。 |
| 16.至少应满足以下( )的条件要求,该房地产开发企业可以开始申请预售。 |
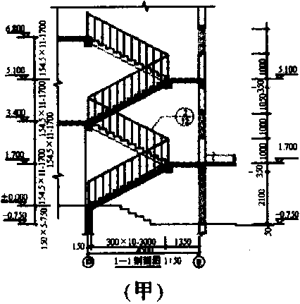
17.该房地产开发企业委托有关设计单位进行意向性的设计,绘制了三幅图,以下针对这三幅图的说法正确的是( )。![]() ![]() ![]() |
| 正确答案:15.AB;16.B;17.BC |
|
|
| 四、判断题: |
| 18.外汇必须以外国货币来表示是外汇的基本特点。( ) |
| 正确答案:A |
|
|
| 19.保险除了具有分担风险和组织经济补偿的基本职能以外,还具有融资、防灾防损及分配等派生职能。( ) |
| 正确答案:A |
|
|
| 20.用当年实现的利润弥补去年发生的亏损,不需要编制会计分录。( ) |
| 正确答案:B |
|
|
| 21.上市公司采取定向增发方式发行的有价证券属于私募证券。( ) |
| 正确答案:A |
|
|
| 22.我国房产税实行定额税率。( ) |
| 正确答案:B |